站内公告:热烈祝贺我司南京分公司于2013年04月03日正式成立,并于同年03月27日获得德国S+S温湿度传感器及控制器中国唯一代理商资格,04月03日获得德国KULLEN钢丝刷代理授权证书。
中文版
English
产品分类
名称:
类别:
友情链接
产品展示
BFA系列防爆轴流风机
BFA系列防爆轴流风机

 

主要技术数据:

产品型号

防爆标志

额定电压(V)

额定功率(KW)

风叶直径(mm)

风量(m3/min)

进线口螺纹

电缆外径(mm)

防护等级

BFA-400

Exd II BT4

220/380

0.37

400

48

G3/4"

ф10-ф14

IP54

BFA-500

0.55

500

95

BFA-600

0.75

600

145

 

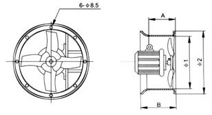
外型尺寸及安装尺寸:

产品型号

 

A

B

1

2

BFA-400

280

315

410

430

BFA-500

280

315

510

530

BFA-600

280

315

610

 

 

 

产品特点
1.防爆风机由防爆电机,风叶、风筒等部分组成。
2.钢管或电缆布线均可。

 

适用范围:
 爆炸性气体混合物危险场所:1区、2
 爆炸性气体混合物:II AII B
 温度组别:T1-T4

返回

公司首页     |     关于我们     |     产品展示     |     招聘英才     |     联系我们    |     网站地图    
版权所有:苏州福久尼工业服务有限公司 技术支持:晨光科技 苏ICP备10105913号-1 我要啦免费统计